
Tópico
Introdução ao Controladores Lógicos Programáveis – CLP
Programáveis – CLP
1.1 Histórico dos CLPs
O controlador lógico programável, conhecido comumente pela sigla CLP, é um dispositivo eletrônico dotado de um microprocessador capaz
de controlar e gerenciar máquinas, sistemas e processos industriais. Utiliza em
sua memória um programa capaz de executar tarefas específicas, operações
lógicas, operações matemáticas, energização e desenergização de relés,
temporização, contagem e manipulação de variáveis de oito ou dezesseis bits
etc.
O termo CLP surgiu em meados da década de sessenta nos
Estados Unidos em razão da dificuldade de se atualizar sistemas elétricos
convencionais baseados em relés. Foi desenvolvido para aplicação em
unidades fabris da General Motors, a empresa montadora de automóveis tinha
uma grande dificuldade de atualizar seus sistemas automáticos de montagem
sempre que mudava ou alterava um modelo de automóvel ou método de
produção, seus técnicos passavam horas ou até mesmo semanas fazendo
alterações em painéis de controle, mudando fiação, relés, temporizadores e
coisas do gênero, isso trazia à empresa grande ociosidade e baixa
produtividade, uma vez que os painéis eram modificados e, se existissem erros
de montagem, o tempo para reparo era demasiadamente longo. Dessa
necessidade surgiu então o CLP, um dispositivo com flexibilidade comparado
ao computador que poderia ser programado em pouco tempo e operado pelos
técnicos e engenheiros da fábrica, trazia a funcionalidade de se poder instalar
em ambiente industrial, podia suportar extremos de temperatura, poeira,
vibração, umidade etc. E uma outra grande vantagem para a época, a
tecnologia de estado sólido, os transistores substituíam os relés e suas partes
móveis, que comumente apresentavam desgaste e paravam de funcionar,
acarretando assim perda de produtividade e aumento de custos nas linhas de
produção.
Por volta de 1969 os CLPs já estavam difundidos por todo o país,
com uma incrível aceitação pelas indústrias devido a sua facilidade de
instalação e confiabilidade, até mesmo os primeiros CLPs da época eram
considerados mais confiáveis do que os sistemas baseados em relés e
temporizadores mecânicos utilizados naquele período. Os CLPs apresentavamse em tamanhos reduzidos e podiam ser substituídos de forma mais rápida e
eficiente, pois sua estrutura modular trazia essa funcionalidade.
9
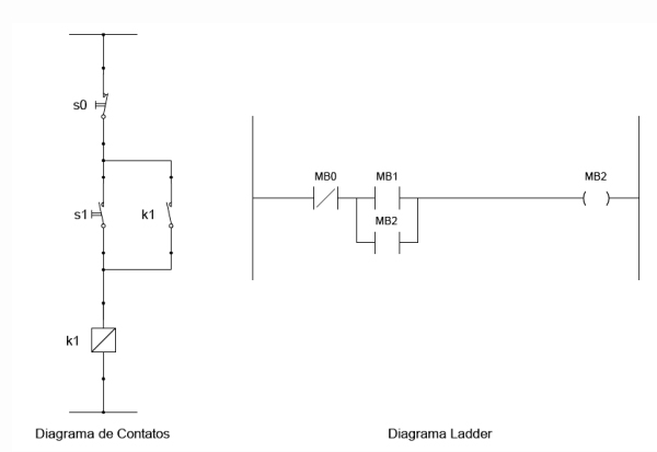
Porém o fato que mais alavancou o desenvolvimento dos CLPs foi a linguagem
utilizada para programação, essa linguagem era idêntica aos símbolos
utilizados pelos eletricistas no chão de fábrica para as montagens elétricas, os
diagramas com símbolos conhecidos como chaves, bobinas de relés, contatos
elétricos, facilitou em muito a aceitação das pessoas envolvidas com a
instalação do equipamento. Essa linguagem chamada de Ladder (Escada)
teve aceitação quase que imediata, pois os trabalhadores não necessitavam de
conhecimento avançado, qualquer um que montasse um painel elétrico podia
programar um CLP, desta forma as empresas diminuíam custos, pois o
treinamento de qualificação era mínimo, já que os trabalhadores já possuíam
conhecimento prévio do assunto. Na figura 1.1 temos um exemplo dessa
linguagem.

Figura 1.1
Hoje em dia, mesmo com a evolução natural dos sistemas e ferramentas
de programação, a lógica Ladder ainda é utilizada por praticamente todos os
fabricantes de CLPs, embora existam outras formas de programação desses
equipamentos, como a linguagem de instruções que se baseia em texto, a
linguagem Ladder é a preferida da maioria dos programadores de CLP por
trazer a facilidade de se programar da mesma forma que se produz um
diagrama elétrico convencional.
10
1.2. Razões da utilização dos CLPs
Muitos engenheiros e técnicos de indústrias ainda fazem esta pergunta:
“Quais as vantagens de se utilizar um CLP para controlar máquinas e
equipamentos?” a resposta é óbvia, custo, praticidade e economia. Podemos
considerar que se há necessidade de se utilizar mais de cinco relés em um
sistema , o CLP se torna economicamente mais viável, com o advento da
tecnologia e do surgimento dos Micros CLPs de baixo custo, aliado à enorme
quantidade de fabricantes tornou esse equipamento acessível à grande maioria
dos usuários, desde pequenas empresas até grandes indústrias.
Além desses fatores, podemos destacar seis grandes qualidades desses
sistemas que podem influenciar na utilização e aplicação dos equipamentos,
são elas:
Praticidade: Depois de desenvolvido e testado, o programa pode ser
gravado em um computador ou CLP e transferido para quantos equipamentos
o usuário possa ter, isso viabiliza a produção em série de máquinas e
equipamentos, além do fato de que, uma vez testado e qualificado, o programa
não sofre alteração, é impossível que uma instrução ou lógica de controle
funcione de forma errônea dentro da memória do CLP. Ao contrário dos
elementos de fiação e relés utilizados no sistema convencional de montagem,
uma vez compilado o programa, ele irá funcionar de mesma forma sempre,
além do fato de se não utilizar fiação para as lógicas de operação , a única
fiação necessária é aquela utilizada para fornecer o suprimento de energia
elétrica para o funcionamento do equipamento, além da fiação para os
dispositivos de entrada e saída, mesmo assim em menor número, o que
acarreta menor probabilidade de falhas por parte humana na ligação do
equipamento.
Localização de Falhas: O CLP, por ser um equipamento
microprocessado, traz ao usuário a facilidade de interação com o hardware via
software, assim se torna muito prática e fácil a localização de falhas nos
sistemas criados pelo usuário, bem como a utilização das ferramentas de
compilação e programação do fabricante para localização de incoerências na
programação, embora o software não consiga identificar erros na lógica criada
pelo usuário, erros de digitação e endereçamento são facilmente detectados.
Outra ótima funcionalidade é o fato de operadores com mais experiência
criarem rotinas de teste para os dispositivos de entrada e saída do CLP, isso
torna o trabalho de manutenção uma tarefa simples e auxilia usuários e
operadores com pouca experiência.
11
Operações Complexas: Os CLPs possuem uma grande variedade de
funções e rotinas avançadas, podem executar desde tarefas simples e
repetitivas até grandes cálculos matemáticos, trigonométricos além da
manipulação de variáveis numéricas com números inteiros e com ponto
flutuante, isso dá ao projetista uma série de recursos impossíveis de se utilizar
com a lógica convencional de relés. Com um pouco de experiência o projetista
pode desenvolver aplicações avançadas, como por exemplo, geração de
relatórios, coleta de dados estatísticos do equipamento ou linha de produção
dentre outras funções, dependendo somente da criatividade do projetista.
Os CLPs modulares de médio e grande porte possuem recursos de
interação com redes de comunicação em vários padrões, assim o equipamento
pode ser conectado a uma rede de computadores corporativa em que as
variáveis de processo e controle podem ser visualizadas ou controladas por
usuários dentro ou fora da planta industrial.
Flexibilidade: Como a aplicação é executada em um ambiente virtual
nas memórias e processadores da CPU, as mudanças no projeto podem ser
realizadas apenas com a adição ou exclusão de linhas no programa fonte,
existem equipamentos que permitem essa mudança em ambiente on-line,
assim o equipamento ou linha de produção não sofrem paradas para
intervenção da manutenção.
Outra característica de flexibilidade é o fato de que empresas
integradoras desses equipamentos possam fazer alterações ou melhorias nos
seus projetos em campo. Além do fato de que se pode proteger o conteúdo do
programa de eventuais modificações feitas por usuários sem experiência, isso
é um importante recurso para segurança do projeto ou instalação.
Tempo de Processamento: Em certas aplicações é solicitado ao CLP
que processe informações de forma rápida e precisa, isso não é problema,
existem CPUs que processam informações provenientes dos dispositivos de
entrada em frações de milissegundos. Assim, por mais rápido que seja o
processo industrial, sempre haverá um modelo de CLP que atenda à
necessidade.
Expansão: Atualmente, existem no mercado equipamentos capazes de
se comunicar com tudo que existe em chão de fabrica, isto é, equipamentos
como computadores, sensores, dispositivos de pesagem, interfaces de
operação (IHM), softwares supervisórios, até mesmo outros CLPs de
fabricantes diferentes, enfim a capacidade de expansão e interação com outros
dispositivos é fato comprovado na maioria dos CLPs existentes no mercado
atual.
12
1.3. Utilizações comuns
O CLP pode ser utilizado em praticamente qualquer aplicação industrial
ou até mesmo comercial. Podemos destacar dentre os segmentos que utilizam
estes equipamentos as indústrias alimentícias, farmacêuticas, indústrias de
bebidas, estações de petróleo, em navios, usinas hidroelétricas e até mesmo
em sistemas espaciais, como plataformas de lançamento de foguetes e
satélites etc.
Basicamente qualquer utilidade que necessite de controle elétrico ou
eletrônico pode utilizar um CLP.